详细参数
|
轴 |
量程 |
|||||
|
SI-4000-500 |
SI-8000-1000 |
SI-16000-2000 |
||||
|
Fx, Fy(±N) |
4000 |
8000 |
16000 |
|||
|
Fz(±N) |
8000 |
16000 |
32000 |
|||
|
Tx, Ty(±Nm) |
500 |
1000 |
2000 |
|||
|
Tz(±Nm) |
500 |
1000 |
2000 |
|||
|
分辨率 |
(1:控制模式 2:网络/采集模式) |
|||||
|
1 |
2 |
1 |
2 |
1 |
2 |
|
|
Fx, Fy(N) |
2 |
1 |
5 |
2 |
10 |
5 |
|
Fz(N) |
4 |
2 |
10 |
4 |
20 |
10 |
|
Tx, Ty(Nm) |
1/4 |
1/8 |
1/2 |
1/4 |
1 |
1/2 |
|
Tz(Nm) |
1/4 |
1/8 |
1/2 |
1/4 |
1 |
1/2 |
|
单轴向过载量 |
单位 |
|||||
|
Fxy |
±160000 |
N |
||||
|
Fz |
±330000 |
|||||
|
Txy |
±21000 |
Nm |
||||
|
Tz |
±25000 |
|||||
|
刚性(计算值) |
单位 |
|||||
|
X-axis & Y-axis force (Kx, Ky) |
4.2x108 |
N/m |
||||
|
Z-axis force (Kz) |
5.6x108 |
|||||
|
X-axis & Y-axis torque (Ktx, Kty) |
3.0x106 |
N/m/rad |
||||
|
Z-axis torque (Ktz) |
6.2x106 |
|||||
|
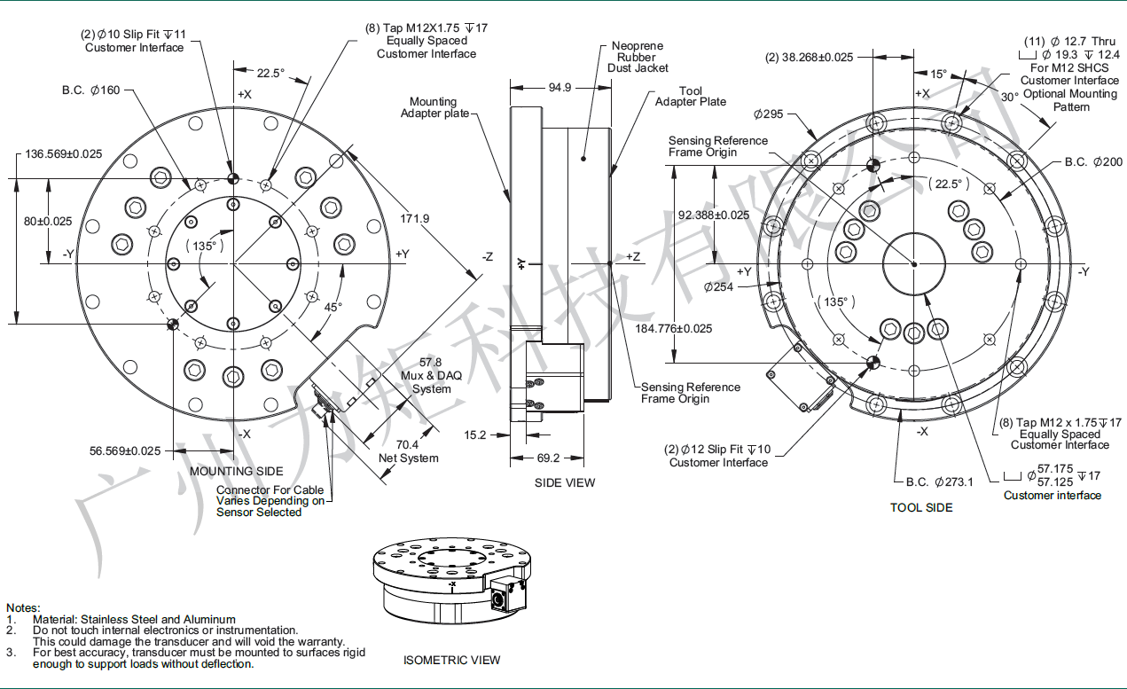
物理参数 |
单位 |
|||||
|
重量 |
31.8 |
kg |
||||
|
直径 |
260(外径)54(内径) |
mm |
||||
|
高度 |
95 |
|||||
产品尺寸
