详细参数
|
轴 |
量程 |
|||||
|
SI-9-0.125 |
SI-18-0.25 |
SI-36-0.5 |
||||
|
Fx, Fy(±N) |
9 |
18 |
36 |
|||
|
Fz(±N) |
9 |
18 |
36 |
|||
|
Tx, Ty(±Nmm) |
125 |
250 |
500 |
|||
|
Tz(±Nmm) |
125 |
250 |
500 |
|||
|
分辨率 |
(1:控制模式 2:网络/采集模式) |
|||||
|
1 |
2 |
1 |
2 |
1 |
2 |
|
|
Fx, Fy(N) |
1/256 |
1/512 |
1/128 |
1/256 |
1/64 |
1/128 |
|
Fz(N) |
1/256 |
1/512 |
1/128 |
1/256 |
1/64 |
1/128 |
|
Tx, Ty(Nmm) |
1/20 |
1/40 |
1/10 |
1/20 |
1/5 |
1/10 |
|
Tz(Nmm) |
1/20 |
1/40 |
1/10 |
1/20 |
1/5 |
1/10 |
|
单轴向过载量 |
单位 |
|||||
|
Fxy |
±300 |
N |
||||
|
Fz |
±380 |
|||||
|
Txy |
±3.2 |
Nm |
||||
|
Tz |
±4.6 |
|||||
|
刚性(计算值) |
单位 |
|||||
|
X-axis & Y-axis force (Kx, Ky) |
5.2x106 |
N/m |
||||
|
Z-axis force (Kz) |
5.2x106 |
|||||
|
X-axis & Y-axis torque (Ktx, Kty) |
7.7x102 |
N/m/rad |
||||
|
Z-axis torque (Ktz) |
1.1x103 |
|||||
|
谐振频率(测量值) |
单位 |
|||||
|
Fx, Fy, Tz |
2800 |
Hz |
||||
|
Fz, Tx, Ty |
2300 |
|||||
|
物理参数 |
单位 |
|||||
|
重量 |
38.7 |
g |
||||
|
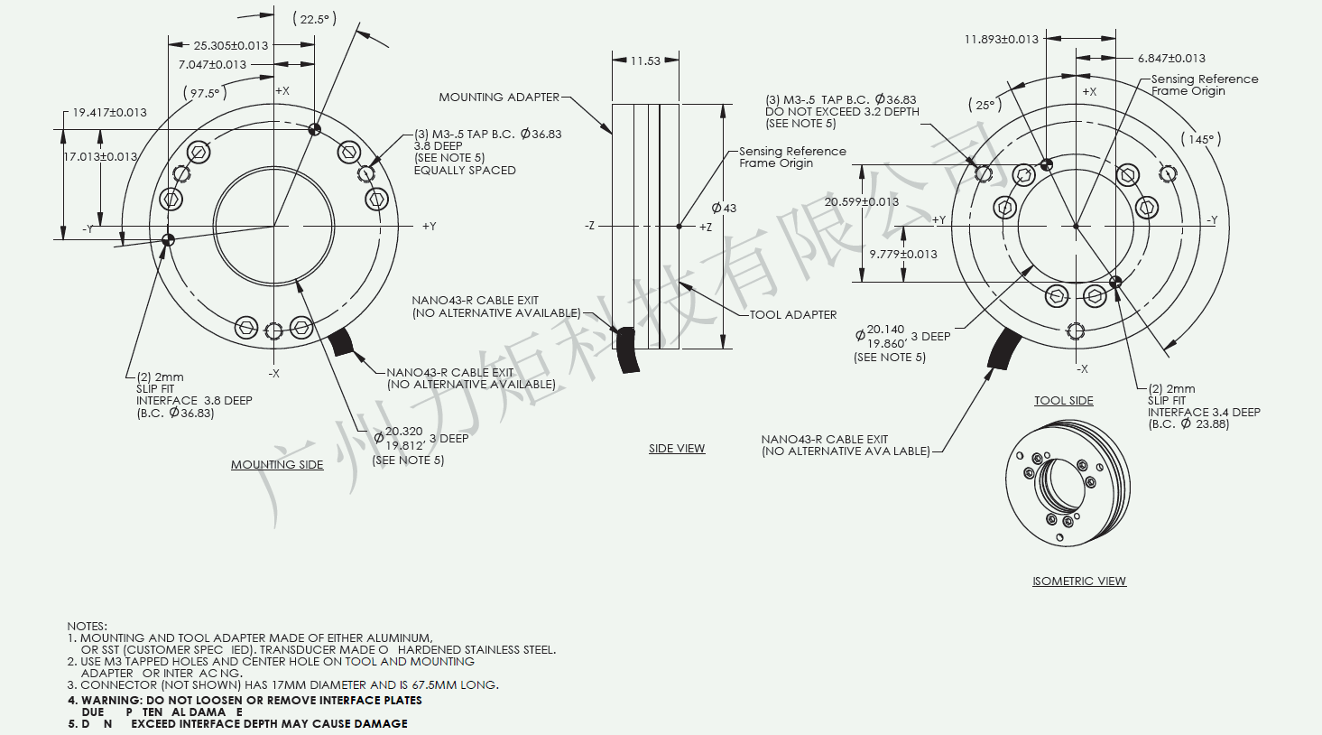
直径 |
43(外径)19.9(内径) |
mm |
||||
|
高度 |
11.5 |
|||||
产品尺寸
