13824462429
首页
产品中心
应用案例
新闻资讯
服务留言
关于我们
联系我们
首页
产品中心
应用案例
新闻资讯
服务留言
关于我们
联系我们
您当前所在位置:
首页
产品中心
»
英国AML
»
水下力传感器DDEN
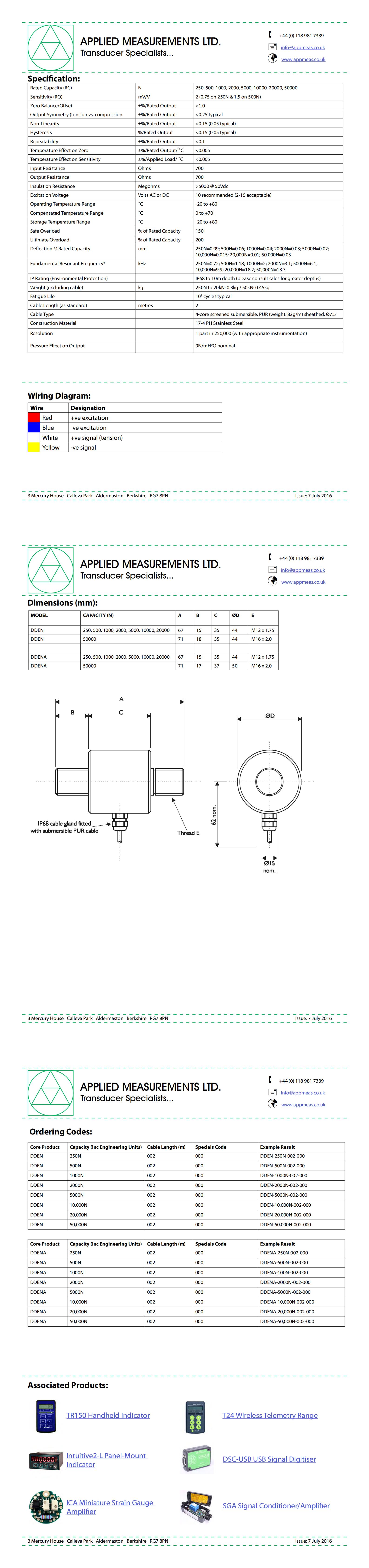
水下力传感器DDEN
型号:水下力DDEN
量程:0-50KN
精度:0.15%F.S.
特点:精度高,数据稳定,防护等级IP68,可用于水下;
用途: 水下力测试
获取厂家底价
详细参数
产品尺寸